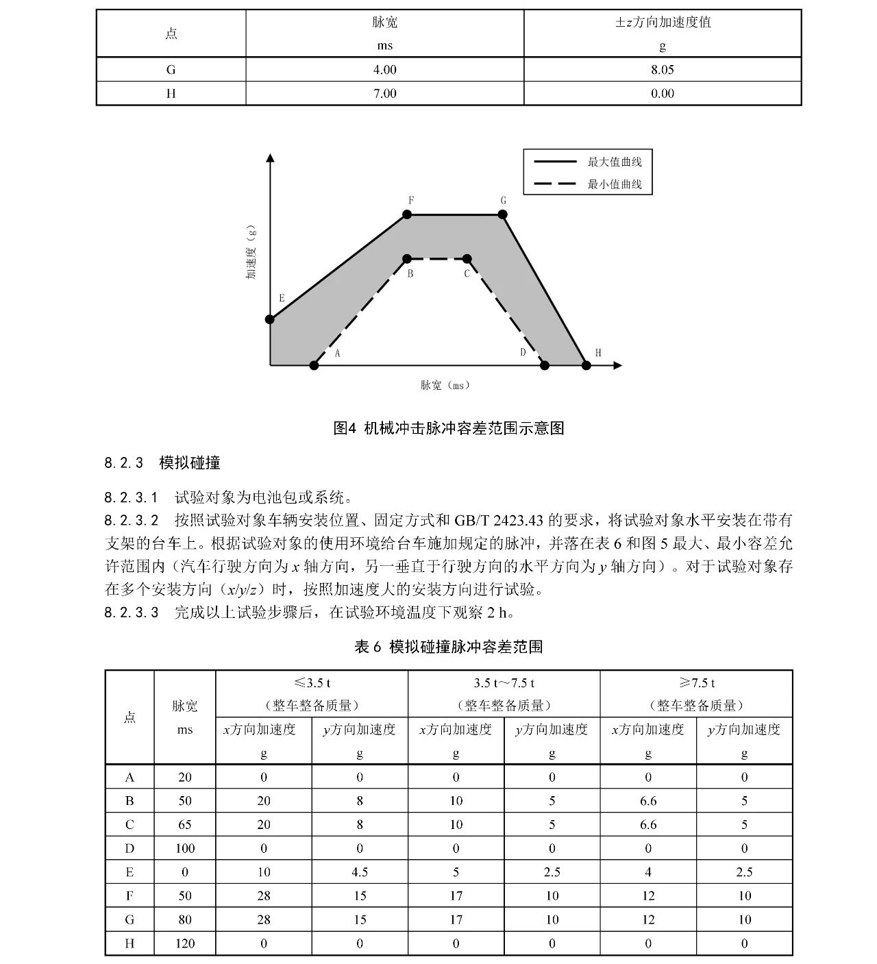
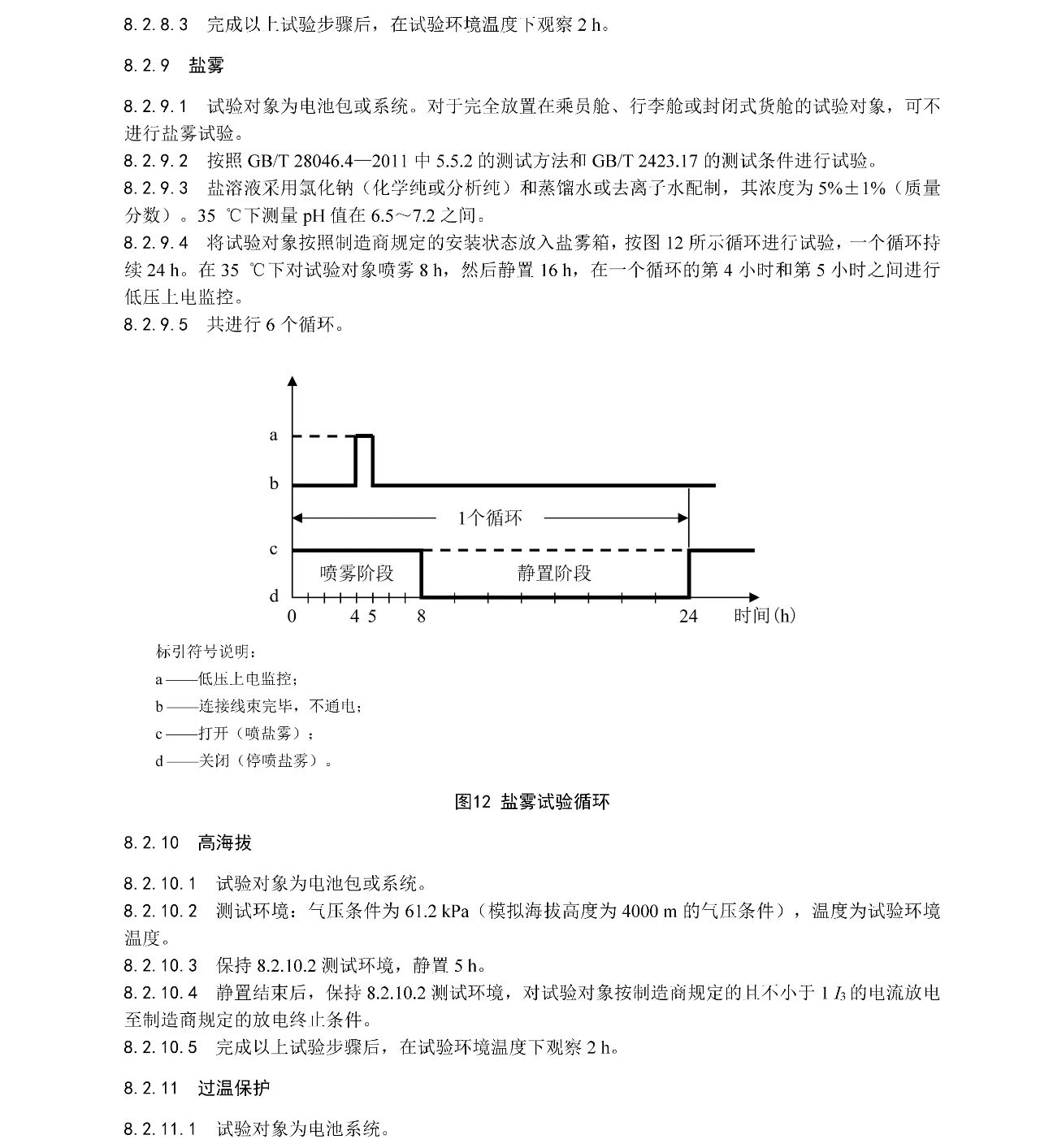
4ÔÂ3ÈÕ£¬¹¤ÐŲ¿ÕýʽÐû²¼GB38031-2025¡¶µç¶¯Æû³µÓö¯Á¦Ðîµç³ØÇå¾²ÒªÇó¡·£¬ÕâÒ»±»³ÆÎª¡°Ê·ÉÏ×îÑÏµç³ØÇå¾²ÁµÄй潫ÓÚ2026Äê7ÔÂ1ÈÕÆðʵÑ顣йú±êÊ״ν«¡°²»Æð»ð¡¢²»±¬Õ¨¡±´ÓÆóÒµÊÖÒÕ´¢±¸ÉÏÉýÎªÇ¿ÖÆÐÔÒªÇ󣬳¹µ×ÖÕ½áÁËÐÐÒµ¶ÔÈÈʧ¿ØÎ£º¦µÄÐÒÔËÐÄÀí£¬±ê¼Ç×Ŷ¯Á¦µç³ØÇå¾²½øÈë¡°ÁãÈÝÈÌ¡±Ê±´ú¡£
ÈÈÀ©É¢¾ø¶ÔÇå¾²£º
´¥·¢ÊÖ¶ÎÉý¼¶£ºÔÚÕë´Ì¡¢Íⲿ¼ÓÈÈ»ù´¡ÉÏ£¬ÐÂÔöÄÚ²¿¼ÓÈÈÆ¬´¥·¢ÈÈʧ¿ØÒªÁ죬ÁýÕÖ¸üÕæÊµµÄʹʳ¡¾°
ÌÓÉúÆøÖÆÖØ¹¹£ºÒªÇóÈÈʧ¿Øºó5·ÖÖÓÄÚ·¢³ö±¨¾¯Ðźţ¬ÇÒÑÌÆø²»µÃ½øÈë³ËÔ±²Õ£¬³¹µ×¶Å¾ø¡°ÌÓÉúʱ¶þ´ÎÖж¾¡±Î£º¦
ÊÓ²ìʱ³¤ÑÓÉ죺ÊÔÑéºóÖÁÉÙ¼à²â2Сʱ£¬ËùÓмà²âµãζÈÐëµÍÓÚ60¡æ£¬±ÜÃâÑÓ³ÙÐÔ±¬È¼
µ×²¿×²»÷²âÊÔÈë·¨£º
Ä£Äâ·Éʯ¹¥»÷³¡¾°£¬½ÓÄÉÖ±¾¶30mm¸ÖÇòÒÔ150JÄÜÁ¿×²»÷µç³Ø°ü×Èõ²¿Î»
¿íÃâÌõ¼þÑÏ¿Á£º½öÔÊÐíÀëµØ¼ä϶¡Ý200mmµÄNÀàÉÌÓóµÃâ²â£¬³ËÓóµÈ«ÏµÄÉÈëî¿Ïµ
¿ì³äÇå¾²±Õ»·¹ÜÀí£º
Õë¶Ô¡°³äµç15·ÖÖÓÐøº½400¹«ÀµÄ³¬¿ì³äµç³Ø£¬ÒªÇó300´Î¿ì³äÑ»·ºóÈÔͨ¹ýÍⲿ¶Ì·²âÊÔ
Ã÷È·SOCÇø¼ä£º20%-80%¿ì³äÐÔÄÜÐè¼á³ÖÎȹ̣¬±ÜÃâµç³Ø¡°ÂýÐÔ²¡¡±»ýÀÛ
й潫Òý·¢ÈýÖØÐÐÒµÕðµ´£º
²úÄܳöÇå¼ÓËÙ£º
¶þÏßµç³Ø³§Ë¢Ð±¾Ç®³¬5ÒÚÔª£¬ÐÐÒµ¼¯ÖжȻòÌáÉýÖÁCR3¡Ý80%
2027ÄêÕû¸Ä´óÏÞǰ£¬Ô¤¼Æ30%²úÄÜÃæÁÙ¹ØÍ£
¼ì²âÈÏÖ¤¸ïÃü£º
ÐÂÔöµ×²¿×²»÷ʵÑéÊÒµ¥´Î¼ì²â±¾Ç®³¬200ÍòÔª
µÚÈý·½¼ì²â»ú¹¹ÓÀ´Ç§ÒÚ¼¶Êг¡¿Õ¼ä
°ü¹Ü½ðÈÚÁª¶¯£º
Öª×ãй泵Ðͱ£·ÑÓÐÍûϸ¡15%-20%
µç³ØÖÕÉíÖʱ£Ìõ¿î»ò½«ÌÞ³ý¡°ÈÈʧ¿Ø¡±ÃâÔðÏî
аæ±ê×¼½«È¡´úGB 38031¡ª2020¡¶µç¶¯Æû³µÓö¯Á¦Ðîµç³ØÇå¾²ÒªÇó¡·¡£


























¹«Ë¾µØÖ·£ºÄϾ©ÊйÄÂ¥ÇøÔÆÄϱ±Â·83ºÅ1007ÊÒ
ÁªÏµµç»°£º025-85863192
¹«Ë¾µØÖ·£ºÉîÛÚÊб¦°²ÇøÇ°º£×¿Ô½Ê±´ú¹ã³¡C×ù2506ÊÒ
ÁªÏµµç»°£º0755-29556931
¹«Ë¾µØÖ·£º¹ã¶«Ê¡¹ãÖÝÊÐ»ÆÆÒÇø¿ÆÑз6ºÅ
ÁªÏµ·½·¨£º020-61302503